Elektro – unser Elektro-Sortiment für Profis
                    
                                    
                                        
        
                        
    
                        Zehnder Pumpen GmbH 11463
Zehnder-Pumpen Schmutzwasser-Hebeanlage SWH 100| Produktklasse | Abwasserhebeanlage | 
|---|
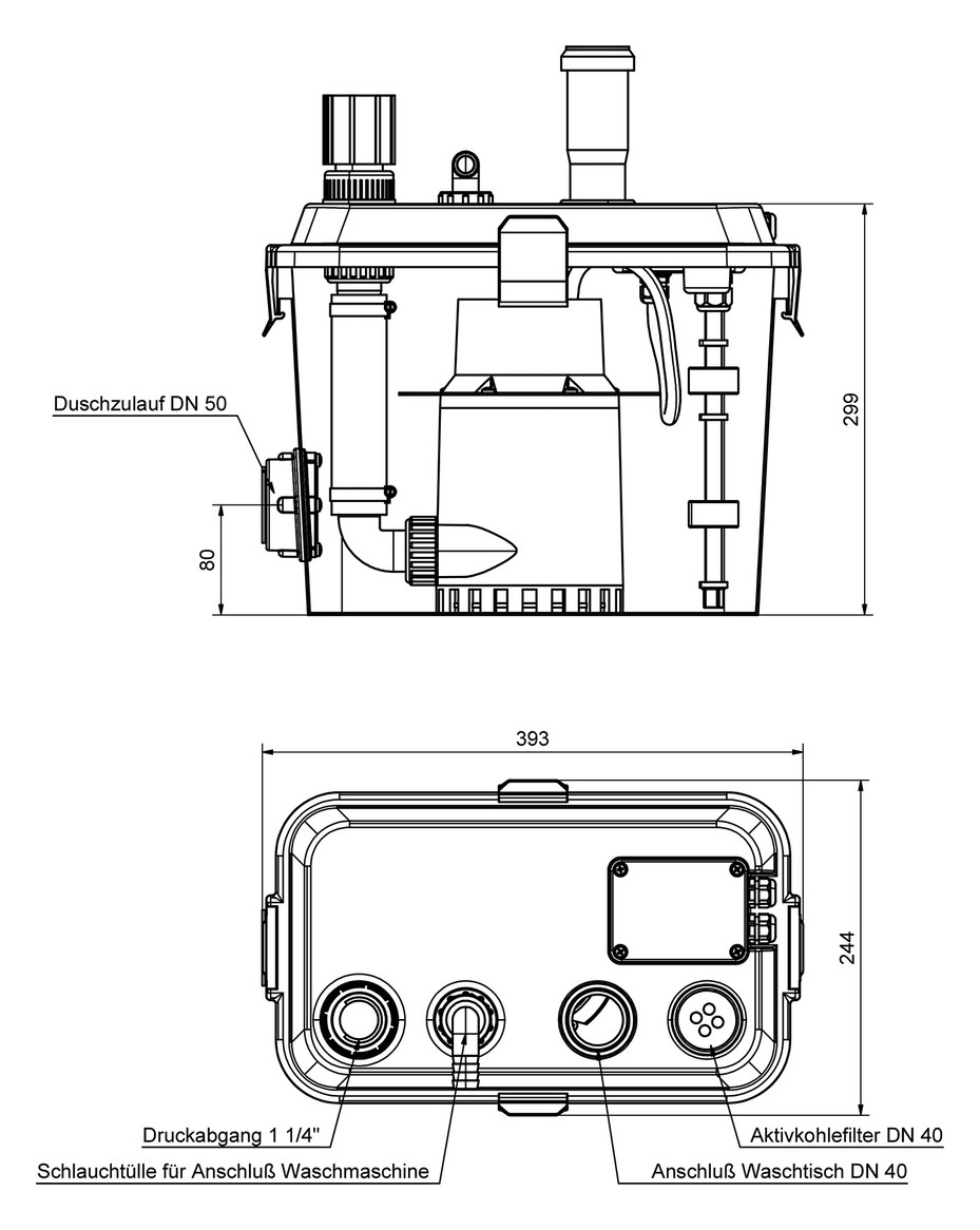
                        Zehnder Pumpen GmbH Ausführung: Sammelbehälter aus PP mit ca. 10 l Nutzinhalt vormontierte Zuläufe für Waschtisch (Schiebestück DN 40), Dusche (Zulauf DN 50) und Waschmaschine (separate Schlauchtülle) im Behälterdeckel integriertes Schaltgerät mit akustischer Alarmmeldung bei unzulässig hohem Wasserstand neu, zusätzlicher Schwimmer für Alarmmeldung potentialfreier Kontakt für externen Alarm oder  Waschmaschinenstopp Druckabgang 1 1/4" mit integrierter Rückschlagklappe Betriebstemperatur 40 °C (kurzzeitig max. 90 °C) Behälterentlüftung durch Aktivkohlefilter 1,5 m Anschlusskabel mit Schuko-Stecker Einsatzgebiete: Hebeanlage zur Förderung von häuslichem Schmutzwasser (ohne Fäkalien) aus Waschmaschine, Dusche, Waschtisch, usw. Überflurinstallation in frostgeschützten Räumen
                    
                
                                    
                            Produktinformationen des Herstellers
                        
                        steckerfertig montiert, Sammelbehälter aus PP mit ca. 20 l Nutzinhalt, im Behälterdeckel integriertes Schaltgerät mit akustischer Alarmmeldung bei unzulässig hohem Wasserstand, doppelte Sicherheit durch 2. Schwimmer (Alarmschwimmer), potentialfreier Kontakt für externen Alarm oder Waschmaschinenstopp, vorbereiteter beidseitig nutzbarer Duschzulauf DN 50, alle Anschlüsse vorbereitet und alle Anschlussstücke im Lieferumfang enthalten, Druckabgang 1 1/4" mit integrierter Rückschlagklappe, Behälterentlüftung durch Aktivkohlefilter, wartungsfreundlich durch am Deckel befestigte Pumpe, mit 1,5 m Anschlusskabel mit Schutzkontaktstecker, für Förderung von häuslichem Schmutzwasser ohne Fäkalien aus Waschmaschine/Dusche/Waschtisch etc., zur Überflurinstallation in frostgeschützten Räumen unterhalb der Rückstauebene, 230 V, 50 Hz, Schutzart IP 57, Korngröße 10 mm, Nutzinhalt 20 l, Medientemperatur max. 40 °C/kurzzeitig
                    | Artikel | Aktionen | 
|---|---|
| Details | 
| Produktklasse | Abwasserhebeanlage | 
|---|
                        Zehnder Pumpen GmbH Ausführung: Sammelbehälter aus PP mit ca. 10 l Nutzinhalt vormontierte Zuläufe für Waschtisch (Schiebestück DN 40), Dusche (Zulauf DN 50) und Waschmaschine (separate Schlauchtülle) im Behälterdeckel integriertes Schaltgerät mit akustischer Alarmmeldung bei unzulässig hohem Wasserstand neu, zusätzlicher Schwimmer für Alarmmeldung potentialfreier Kontakt für externen Alarm oder  Waschmaschinenstopp Druckabgang 1 1/4" mit integrierter Rückschlagklappe Betriebstemperatur 40 °C (kurzzeitig max. 90 °C) Behälterentlüftung durch Aktivkohlefilter 1,5 m Anschlusskabel mit Schuko-Stecker Einsatzgebiete: Hebeanlage zur Förderung von häuslichem Schmutzwasser (ohne Fäkalien) aus Waschmaschine, Dusche, Waschtisch, usw. Überflurinstallation in frostgeschützten Räumen
                    
                
                                    
                            Produktinformationen des Herstellers
                        
                        steckerfertig montiert, Sammelbehälter aus PP mit ca. 20 l Nutzinhalt, im Behälterdeckel integriertes Schaltgerät mit akustischer Alarmmeldung bei unzulässig hohem Wasserstand, doppelte Sicherheit durch 2. Schwimmer (Alarmschwimmer), potentialfreier Kontakt für externen Alarm oder Waschmaschinenstopp, vorbereiteter beidseitig nutzbarer Duschzulauf DN 50, alle Anschlüsse vorbereitet und alle Anschlussstücke im Lieferumfang enthalten, Druckabgang 1 1/4" mit integrierter Rückschlagklappe, Behälterentlüftung durch Aktivkohlefilter, wartungsfreundlich durch am Deckel befestigte Pumpe, mit 1,5 m Anschlusskabel mit Schutzkontaktstecker, für Förderung von häuslichem Schmutzwasser ohne Fäkalien aus Waschmaschine/Dusche/Waschtisch etc., zur Überflurinstallation in frostgeschützten Räumen unterhalb der Rückstauebene, 230 V, 50 Hz, Schutzart IP 57, Korngröße 10 mm, Nutzinhalt 20 l, Medientemperatur max. 40 °C/kurzzeitig
                    | Artikelnummer | 026295000401 | 
|---|---|
| Hersteller | Zehnder Pumpen GmbH | 
| Originalbezeichnung | 11463 | 
| Werksnummer | 11463 | 
| EAN | 4014440114636 | 
| Zolltarifnummer | 84138200 | 
| Lagerart | Lagerware | 
 
                             
                             
                             
                             
                             
                             
                             
                             
                             
         
         
         
         
     
                                                                                            