Zum Hauptinhalt springen Zur Suche springen Zur Hauptnavigation springen
Merkliste
Anzahl der Primäreingänge 4
Ausführung Summenstromwandler
Geeicht ja
Genauigkeitsklasse 1
Mit Berührungsschutz ja
Primärer Bemessungsstrom 160 A
Schnappbefestigung ja
Sekundärer Anschluss Schraubanschluss
Sekundärer Bemessungsstrom 0.16 A
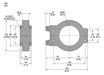
Öffnungsdurchmesser 80 mm
Schneider Summenstromwandler Kl=1 160A/0,16A m.Berührungss Schnappbef Schraub
Produktinformationen des Herstellers
Dieser Ringkern ist für die Vigilohm Isolationsfehlersuchgeräte und die VigiPacT-Fehlerstromschutz- und Überwachungsrelais vom Typ A bestimmt. Es ermöglicht die Überwachung der eingespeisten Komponente von Vigilohm Insulation Monitor und die Messung eines Nennstroms bis 160A für VigiPacT Überwachungs- und Schutzrelais. Das Übertragungsverhältnis beträgt 1/1000. Der Innendurchmesser des Toroids beträgt 80 Millimeter und das Gewicht 0,420 kg. Die Kabel müssen innerhalb des Toroids zentriert sein, und der Durchmesser aller dieser Kabel darf 40 mm nicht überschreiten. Der maximale Querschnitt pro Phase (R, S, T, N) beträgt 95mm² für einen Kupferleiter.
Mehr Informationen
Melde Dich zuerst an, um diese Funktion verwenden zu können.
Anzahl der Primäreingänge 4
Ausführung Summenstromwandler
Geeicht ja
Genauigkeitsklasse 1
Mit Berührungsschutz ja
Primärer Bemessungsstrom 160 A
Schnappbefestigung ja
Sekundärer Anschluss Schraubanschluss
Sekundärer Bemessungsstrom 0.16 A
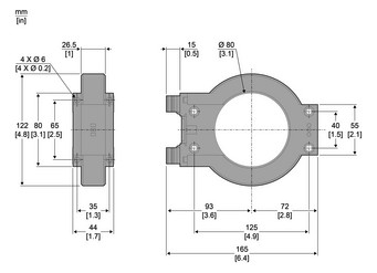
Öffnungsdurchmesser 80 mm
Schneider Summenstromwandler Kl=1 160A/0,16A m.Berührungss Schnappbef Schraub
Produktinformationen des Herstellers
Dieser Ringkern ist für die Vigilohm Isolationsfehlersuchgeräte und die VigiPacT-Fehlerstromschutz- und Überwachungsrelais vom Typ A bestimmt. Es ermöglicht die Überwachung der eingespeisten Komponente von Vigilohm Insulation Monitor und die Messung eines Nennstroms bis 160A für VigiPacT Überwachungs- und Schutzrelais. Das Übertragungsverhältnis beträgt 1/1000. Der Innendurchmesser des Toroids beträgt 80 Millimeter und das Gewicht 0,420 kg. Die Kabel müssen innerhalb des Toroids zentriert sein, und der Durchmesser aller dieser Kabel darf 40 mm nicht überschreiten. Der maximale Querschnitt pro Phase (R, S, T, N) beträgt 95mm² für einen Kupferleiter.
Mehr Informationen
Melde Dich zuerst an, um diese Funktion verwenden zu können.
Artikelnummer 5336278
Hersteller Schneider
Originalbezeichnung 50439
Werksnummer 50439
EAN 3303430504399
Zolltarifnummer 85043129
Lagerart Beschaffungsware
Melde Dich zuerst an, um weitere Informationen zum Bestand zu erhalten

Zuletzt angesehen

Informationen direkt vom Hersteller

Katalogseiten

Bewertungen (0)

Durchschnittliche Bewertung von 0 von 5 Sternen

Gib eine Bewertung ab!

Teile Deine Erfahrungen mit dem Produkt mit anderen Kunden.